--
Счётчики воды, приборы учёта, манометры, термометры
--Бобышка БП1 М27х2-25НасосыКанализация, дренаж и водоотведениеТрубы и фитингиСмесителиВодонагреватели и бойлерыОтопительные системыПечи и котлыЗапорная и регулирующая арматураДымоходы и комплектующиеТеплоизоляция, защитная гофра и греющий кабельДля ванной и кухниФильтрация водыЕвроконусы, коллекторы, коллекторные группы, смесительные узлыРасширительные бакиПредохранительная арматураРезьбовые фитингиСчётчики воды, приборы учёта, манометры, термометрыШланги и гибкая подводкаВентиляцияСервоприводы, термостаты, контроллерыКрепеж, инструмент и расходные материалыСад и дачаСадовая техникаСиловая техникаАвтотоварыЭлектроинструментОтделочные материалыЗащита от протечек
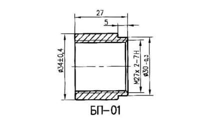
Бобышка БП1 М27х2-25
Артикул:
00000002927
129 руб./шт.
11 шт..
Нашли дешевле?
Описание
Бобышки предназначены для установки на них погружаемых термопреобразователей для измерения температуры, приборов для измерения давления, а так же для отборных устройств и запорных вентилей импульсивных линий, используемых в системах автоматизации технологических процессов в промышленности.Присоединение бобышек к трубопроводу осуществляется методом сварки.
Отзывы
Наличие
Можно заказать
Похожие товары
-
Быстрый просмотрПод заказНаши менеджеры обязательно свяжутся с вами и уточнят условия заказа
Этот товар из подборок
-
Насосы
-
Канализация, дренаж и водоотведение
-
Канализация наружная (рыжие)
-
Канализация внутренняя (серая)
-
Бесшумная канализация трубы и фитинги (белая)
-
Трубы и фитинги канализационные усиленные ПОЛИТЕК 3000
-
Дренажные трубы и фитинги
-
Геотекстиль
-
Трапы канализационные
-
Поверхностный водоотвод
-
Колодцы полимер-песчаные и люки колодезные
-
Локальные очистные сооружения
-
Комплектующие для канализации
-
-
Трубы и фитинги
-
Водонагреватели и бойлеры
-
Смесители
-
Отопительные системы
-
Печи и котлы
-
Запорная и регулирующая арматура
-
Дымоходы и комплектующие
-
Теплоизоляция, защитная гофра и греющий кабель
-
Для ванной и кухни
-
Фильтрация воды
-
Евроконусы, коллекторы, коллекторные группы, смесительные узлы
-
Расширительные баки
-
Предохранительная арматура
-
Резьбовые фитинги
-
Счётчики воды, приборы учёта, манометры, термометры
-
Шланги и гибкая подводка
-
Вентиляция
-
Сервоприводы, термостаты, контроллеры
-
Сад и дача
-
Крепеж, инструмент и расходные материалы
-
Сантехнический крепеж
-
Такелаж
-
Уплотнители резьбы и прокладки
-
Паяльники для ПП труб
-
Труборезы, ножницы, калибраторы
-
Размотчики, пистолеты-такеры, пресс инструмент
-
Опрессовщики
-
Пены, Герметики
-
Тросы для прочистки канализации и вантузы
-
Газосварочное оборудование
-
Стабилизаторы напряжения
-
Инструментр столярно-слесарный
-
Системы хранения
-
Расширительные насадки
-
Инструменты СП
-
-
Садовая техника
-
Силовая техника
-
Автотовары
-
Электроинструмент
-
Отделочные материалы
-
Защита от протечек
Новости
Все новости
26 декабря 2025
График работы в новогодние праздники 2025
28 ноября 2025
Сплит в Ресане!
22 октября 2025
Плати частями























































































































































































































































































































































































